TM 9-2350-261-20-2
REPLACE DISTRIBUTION BOX ASSEMBLY FOR 100 AMP
GENERATOR SYSTEM (M741A1 ONLY)
DESCRIPTION
This task covers:
Remove (page 1240).
Install (page 12-42.
INITIAL SETUP
Tools:
General Mechanics Tool Kit (Item 30, App D)
Materials/Parts:
Sealing compound (Item 52, App C)
Gasket
Grommet (8)
Lockwasher (5)
Lockwasher (5)
Personnel Required:
Unit Mechanic
References:
See your -10
Equipment Conditions:
Engine stopped (see your -10)
Carrier blocked (see your -10)
Battery ground lead disconnected (page 13-2)
Master switch panel assembly removed (page
9-16)
REMOVE
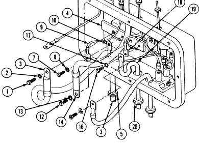
3.
1.
2.
Remove screw (1), lockwasher (2), and circuit
6 lead (3) from bus bar (4). Remove circuit 6
lead (3) and grommet (5) from distribution
box (6). Discard grommet and lockwasher.
4.
Remove screw (7), lockwasher (8), circuit 10,
14, 15, 27E lead (9), and circuit 450A lead
(10) from bus bar (4). Remove circuit 10, 14,
15, 27E lead (9) and grommet (11) from
distribution box (6). Discard grommet and
lockwasher.
.
Remove screw (12), lockwasher (13), and
circuit 49 lead (14) from bus bar (4). Remove
circuit 49 lead (14) and grommet (15) from
distribution box (6). Discard grommet and
lockwasher.
Remove screw (16), lockwasher (17), circuit
450C lead (18), and circuit 2 lead (19) from
bus bar (4). Remove circuit 2 lead (19) and
grommet (20) from distribution box (6).
Discard grommet and lockwasher.
12-40