COOLING FAN DRIVE ASSEMBLY REPAIR
Test Equipment/Special Tools:
Arbor press (Item 1, Appendix D)
Depth micrometer gage (Item 10.1, Appendix D)
Dial indicator (Item 7.2, Appendix D)
Fabricated fan drive bracket (Appendix E)
Outside micrometer caliper set (Item 7.1, Appendix D)
Snapring pliers (Item 17.1, Appendix D)
Torque wrench (Item 31, Appendix D)
Wire twist pliers (Item 18, Appendix D)
Materials/Parts:
Dry cleaning solvent (Item 18, Appendix B)
Repair kit, 57K0975
Reference: TM 9-214
Equipment Conditions:
Fan drive shafts removed (TM 9-2350-267-20).
REMOVAL
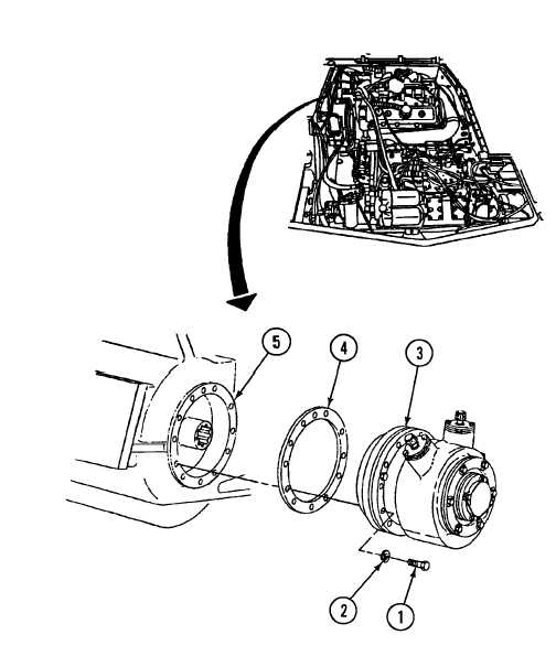
A Remove 12 screws (1) and 12 lockwashers (2) from cooling fan
drive assembly (3). Discard lockwashers.
B Remove cooling fan drive assembly (3) and gasket (4) from transfer
assembly (5). Discard gasket.
5 -3
Change 4
TM 9-2350-267-34