35.
36.
37.
38.
Install tubes (1 and 2) through power plant
access door opening.
Connect tube (1) to oil cooler elbow (3) and
radiator with four clamps (4) and two
hoses (5).
Connect vent tube (6) to oil cooler elbow (3)
with two clamps (7) and hose (8).
connect tube
radiator with
hoses (11).
(2) to deaeration
four clamps (10) and two
39. Raise power plant slightly and install
headed pin (12) in transfer gearcase right
mount.
40.
41.
42.
(14) in front engine mount base. Tighten
lockbolts to 120-130 Ib-ft (162-176 Nm)
torque. Use torque wrench (Item 96).
elbow (9) and
Lower power plant and remove lifting sling.
Install two washers (13) and new lockbolts
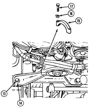
Install cap (15) with two new key washers
(16) and screws (17). Tighten screws to
30-35 lb-ft (41-48 Nm) torque. Use torque
wrench (Item 96).
TM 9-2350-261-20-1
5-18