TM 9-2350-261-20-1
I N S T A L L
WARNING
Damaged lifting sling can
fail with load. Soldiers can
be killed or injured. Do not
use damaged slings.
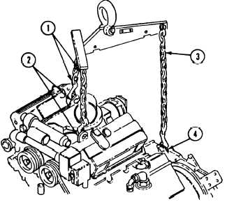
32. If required, attach power plant slings two 6
link chains (1) to lifting eyes (2) on engine
and one 17 link chain (3) to lifting eye (4)
on transfer gearcase.
WARNING
Hanging loads can kill or
injure you. Keep away from
hanging loads and over-
head
equipment.
Keep
hands out of compartment
while power plant is being
removal or lowered for
installation.
33. Lower power plant into earner. Have helper
assist. Do not detach sling.
34. From underneath carrier, connect hose (5) to
differential oil pump (6).
GO TO NEXT PAGE
mm u
I
II
5-17
\
1/
I
lifted for