TM 9-2350-277-34
VEHICLE BATTERIES DISCHARGE WITH EXTERNAL AC POWER APPLIED (M1068A3
ONLY)Continued
0007 00
T
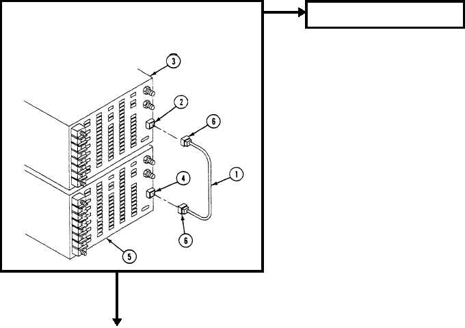
1. Remove jumper cable (1) from terminal J1 (2) on power supply
PS1 (3) and terminal J1 (4) on power supply PS2 (5).
2. Measure resistance between terminals (6) of jumper cable (1).
3. Does multimeter read 0 ohms?
YES
NO
TN
1. Replace jumper cable (WP 0090 00).
2. Verify no faults found.
0007 00-2