TM 9-2350-277-20-5
REPLACE SMOKE GENERATOR ASSEMBLY AND SUPPORT BRACKET (M1059A3
ONLY) Continued
0755 00
6.
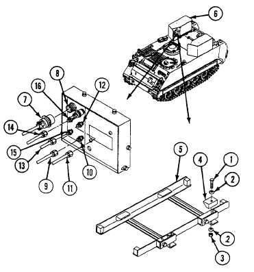
Remove fuel supply hose (13) and fuel return hose (14) from fuel supply connector (15) and fuel return connector (16).
7.
Disconnect glow plug cable (19) from preheat harness jack (20) from panel (21) on smoke generator (1).
WARNING
You could be killed or injured by accidental carrier movement. Before you perform
maintenance, make sure to properly block the carrier. Do not stand under suspended heavy
objects. Keep hands away from pinch points.
8.
Using suitable lifting device, remove generator (1) from carrier.
0755 00-2