TM 9-2350-261-34
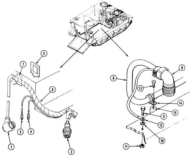
3. Disconnect circuit A9P6 connector (1) from
7. Disconnect circuit A9P7 connector (8) from
radio.
turret slip ring.
4. Disconnect circuit .A0P4 connector (2) from
8. Remove screw (9), lockwasher ( 10), nut (11)
antenna.
and circuit 7 ground lead (12) from hull.
Discard lockwasher.
5. Disconnect circuits A9P1 and A9P3 antenna
leads (3 and 4).
9. Remove six screws (13), six clamps (14) and
wiring harness (6) from six weldnuts ( 15).
6. Remove four cradle clips (5) and turret wiring
harness (6) from four cradles (7).
GO TO NEXT PAGE
6-49