TM 9-2350-247-34
REPAIR ENGINE AND TRANSMISSION STAND (M548A3) Continued
0054 00
16. Lubricate jack screw (3). Use automotive grease.
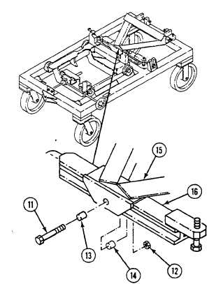
REPLACE BEAM ASSEMBLY BEARING
1.
Remove screw (11), lock nut (12), long spacer (13), and short spacer (14) securing transmission support (15) to beam
assembly (16). Discard lock nut. Remove support.
0054 00-10