TM 9-2350-247-34
REPLACE FIXED RESISTOR Continued
0069 00
INSPECTION-ACCEPTANCE AND REJECTION CRITERIA
1.
Check resistance from circuit 7 terminal end (16) to strap end (17) of fixed resistor (11). Multimeter should read 1.6 to
1.7 ohms. If reading is not in range, replace fixed resistor.
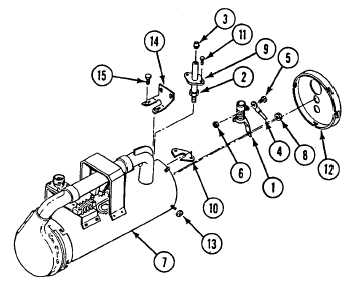
INSTALLATION
1.
If fixed resistor (1) is to be replaced, grind or cut sleeve off of fuel tube (2). Discard sleeve.
2.
Install fixed resistor (1) and new sleeve (3) on fuel tube (2).
3.
Secure electrical lead (4) to fixed resistor (1) with screw (5) and nut (6).
4.
Secure fixed resistor (1) to heater (7) with nut (8).
5.
Secure fuel tube (2), flange (9), and tapping plate (10) to heater (7) with two screws (11).
6.
Install end cover (12) on heater (7). Tighten four nuts (13).
7.
Secure fuel control valve bracket (14) to heater (7) with two screws (15).
FOLLOW-THROUGH STEPS
1.
Install fuel control valve on coolant heater (WP 0065 00).
2.
Install engine coolant heater in carrier (see your -20).
END OF TASK
0069 00-2