TM 9-2350-277-34
REPLACE FRONT MAIN WIRING HARNESS Continued
0030 00
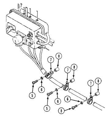
3.
Install harness (12) on three weldnuts (8) behind STE/ICE distribution box. Secure with three clamps (7), new
lockwashers (6), and screws (5).
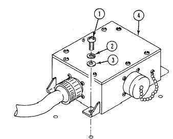
4.
Install four screws (1), new lockwashers (2), washers (3), and STE/ICE distribution box (4).
0030 00-21