TM 9-2350-277-20-4
REPAIR DRIVERS HATCH (M901A3 AND M981A3 ONLY) Continued
0538 00
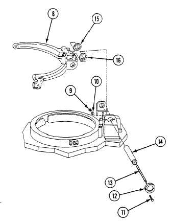
6.
Remove two locknuts (9), washers (10), screws (11), and cap (12). Discard locknuts.
7.
Move yoke (8) to closed position.
8.
Remove 17 springs (13), shield (14), spacer (15), spacer (16), and yoke (8).
0538 00-5