TM 9-2350-277-20-3
REPLACE TRANSMISSION OIL COOLER HOSES, FITTINGS, AND MOUNTING
Continued
0399 00
NOTE
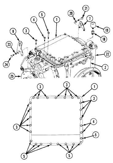
Three different length lockscrews are used to secure top cover. Ensure all lockscrews are
located properly before tightening.
19. Secure top cover (1) to transmission housing (2) with 15 lockscrews (3), two lockscrews (4), and nine lockscrews (5).
TIGHTEN ALL LOCKSCREWS TO 156-180 LB-IN (18-20 N m) TORQUE.
20. Install reducer (18) in top of transmission housing (2). TIGHTEN REDUCER TO 144-192 LB-IN (16-22 N m)
TORQUE.
21. Install breather (19) in reducer (18). TIGHTEN BREATHER TO 168-192 LB-IN (19-22 N m) TORQUE.
22. Install lifting bracket (7) with bracket leaning towards the center of the transmission, two washers (20), and new
lockscrews (21) on left end cover (22).
23. Install lifting bracket (8) with bracket leaning towards the center of the transmission, two washers (23), and new
lockscrews (24) and on right end cover (25).
24. TIGHTEN LOCKSCREWS (21) AND (24) TO 156-180 LB-IN (18-20 N m) TORQUE.
0399 00-11