TM 9-2350-277-20-3
ADJUST TRANSMISSION STEERING Continued
0393 00
NOTE
Be careful not to turn adjusting screw when tightening jam nut.
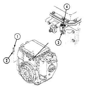
3.
Turn adjusting screw (4) 1/8 turn at a time. Use adjusting sleeve. If right track had forward tension, turn adjusting screw
to the right. If left track had forward tension, turn adjusting screw to the left.
4.
TIGHTEN JAM NUT (3) TO 140-150 LB-IN. (16-18 N m) TORQUE. USE ADJUSTING SLEEVE.
5.
Install plug (1) finger tight and check adjustment by repeating Steps 1 - 11.
6.
Repeat Steps 1 - 3 as needed until both tracks remain slack at all engine speeds.
7.
Remove plug (1), and install new preformed packing (2) in plug.
8.
Install plug (1) in transmission. TIGHTEN PLUG TO 50-60 LB-FT (68-81 N m) TORQUE.
FOLLOW-THROUGH STEPS
1.
Install engine exhaust elbow (WP 0221 00).
2.
Install air intake elbow (WP 0173 00).
3.
Install drivers power plant access panel (see your -10).
END OF TASK
0393 00-4