TM 9-2350-277-20-3
REPLACE RADIAC WIRE HARNESS (M113A3, M577A3, AND M1068A3 ONLY)
Continued
0376 00
INSTALLATION
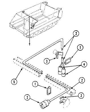
1.
Tie cord left in cross beam (5) to end of RADIAC harness (2).
2.
Pull cord and harness (2) through cross beam. Remove cord.
3.
Install electrical connectors (4) on harness (2) (WP 0382 00).
4.
Place harness (2) on four cradles (3) and secure with four clips (1).
FOLLOW-THROUGH STEPS
1.
Connect battery ground strap (WP 0337 00) or (WP 0338 00).
2.
Start engine (see your -10).
3.
Raise and lock ramp (see your -10).
4.
Stop engine (see your -10).
END OF TASK
0376 00-2