Section III CANISTER Restraints
CANISTER Restraints (RIGHT SIDE): REMOVAL AND INSTALLATION
REMOVAL
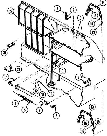
A Release spring-action buckle (1) from clip end of four maps (2). Grasp
buckle (1) and pull each strep through upper rack and vehicle-mounted
fasteners (3).
B
Pull release plate of three buckles (4) to loosen three restraint straps (5), and
unhook six snap hooks (6) from six eyebolts (7).
C Slide three bar assemblies (8), with three attached restraint straps (5), from
bar slide tracks (9), and remove from rack assembly. See p 11-23 for removal
of restraint straps (5).
D Remove six nuts (10), six lockwashers (11), six flat washers (12) and six
eyebolts (7) from rack assembly. Discard lockwashers.
E
Release tension of two strap assemblies (13) and strap assembly (14) by
Releasing two ratchet buckle assemblies (15) and ratchet buckle assembly
(16). Unhook three ratehet buckles (15 and 16) and three snap hooks (17 and
18) from six strap studs (19). Remove strap assemblies from rack.
F
Unscrew and remove six strap surds (19) by tinning counter clockwise.
G Unbuckle and remove two strep assemblies (20) and two strap assemblies
(21) from right front canister compartment (22).
11-21
Change 2
TM 9-2350-267-20