TM 9-2350-261-20-1
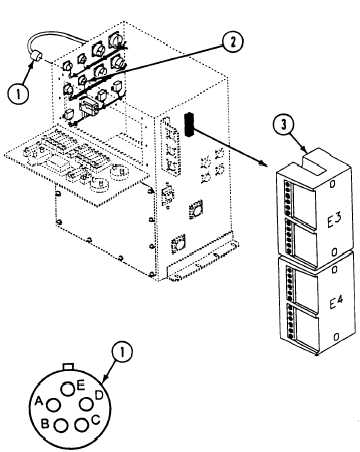
1. Remove plug P1 (1) from J30 (2).
2. Measure resistance of circuit 18N between power
enclosure jack J30 (2), socket B, and terminal block E3
(3). Also measure resistance for circuit 18K between
jack J30, socket D, and E3.
3. Does multimeter read 0 ohms for both readings?
1. Faulty lead 18N and/or lead
2. Notify your Supervisor.
3-226.100
C h a n g e 3
18K.