TM 9-2350-247-10
PREVENTIVE MAINTENANCE CHECKS AND SERVICES Continued
0057 00
ITEM
NO.
INTERVAL
MAN-
HOUR
ITEM TO BE
CHECKED OR
SERVICED
CREWMEMBER
PROCEDURE
EQUIPMENT
NOT READY/
AVAILABLE
IF:
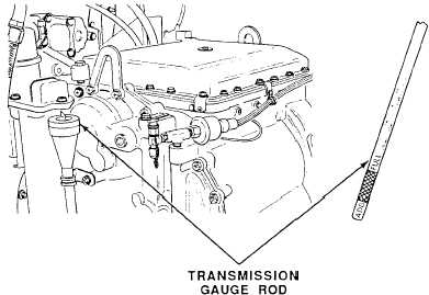
c. Oil level should be between ADD and FULL
marks on transmission gauge rod.
Oil level not
within
operating
range.
NOTE
There is approximately 1 gallon capacity
between add and full mark.
d. Add oil as needed. Do not overfill. For lubricant
information, see Table 4, page 0057 00-7 and
Table 5, page 0057 00-7.
0057 00-48