TM 9-2350-287-10
OPERATING AUXILIARY EQUIPMENT (continued)
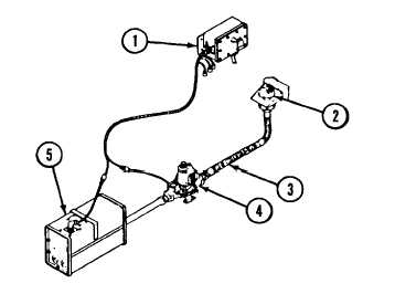
The M992A1 VFPS includes an M2A2 air purifier (5), four M3 heaters (4), eight hose assemblies (3), four air outlet orifices
(2), and a control box (1).
Starting and Operating
NOTE
MASTER switch must be set to ON to operate VFPS.
1.
Put on and adjust face piece.
2.
Position spring clip (6) up to open two air purifier inlet holes (7).
3.
Turn vehicle MASTER switch to ON, and turn VFPS control box switch (8) to ON.
2-201