TM 9-2350-277-34
INSTALL ENGINE COOLANT HEATER KIT (M113A3, M901A3, AND M1059A3 ONLY)
Continued
0075 00
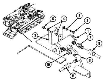
29. Install coolant heater fuel pump (1) on bracket (2). Secure with two screws (3), four lockwashers (4), two washers (5)
and two nuts (6).
30. Apply sealing compound to external tapered threads of adapter (7), fuel pump (1), and elbow (8). Do not apply sealing
compound beyond small end of tapered threads. Do not apply sealing compound on adapter and elbow threads for hose
connections.
31. Install adapter (7) on coolant heater fuel pump (1).
32. Install fuel hose (9) on adapter (7).
33. Install coupling (10) on coolant heater fuel pump (1).
34. Install elbow (8) on coupling (10).
35. Install fuel hose (11) on elbow (8).
0075 00-8