TM 9-2350-277-20-3
REPLACE REAR MAIN WIRING HARNESS (M113A3, M901A3, M981A3, M1059A3, AND
M58 ) Continued
0362 00
33. Remove connector (20) and harness from top of hull. Pull harness into carrier.
34. Remove 12 screws (1), washers (2), clamps (3), and harness (4) from left side plate of hull.
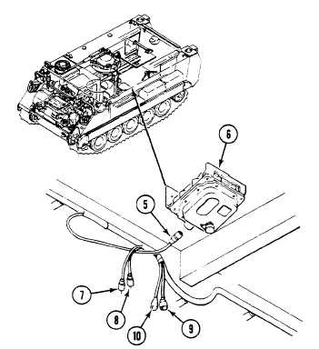
35. Disconnect circuit 38 lead (5) from left dome light (6).
36. If personnel heater is installed, disconnect circuit 402 lead (7) from personnel heater wiring harness.
37. If engine coolant heater is installed, disconnect circuit 402A lead (8) from coolant heater wiring harness.
38. If personnel and coolant heater are installed, disconnect circuit 400 lead (9) from personnel heater control box and circuit
400A lead (10) from coolant heater control box.
0362 00-14