TM 9-2350-277-20-3
REPLACE TRANSMISSION WIRING HARNESS Continued
0360 00
INSPECTION-ACCEPTANCE AND REJECTION CRITERIA
INSPECTION AND REPAIR
1.
Check leads for continuity. Replace bad leads.
2.
Check connectors and terminals. Repair bad connectors or terminals (WP 0382 00).
INSTALLATION
1.
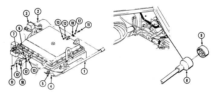
Place new wiring harness (1) on transmission.
2.
Connect circuit 323 connector (2) to differential pressure switch (3).
3.
Connect wiring harness connector (4) to transmission connector (5).
4.
Connect circuit 366 lead (6) to transmission low oil pressure switch (7).
5.
Connect transmission wiring harness connector (8) to bulkhead connector (9).
6.
Install wiring harness (1) in four clamps (10), and secure to brackets with four screws (11), eight washers (12), and four
new locknuts (13).
FOLLOW-THROUGH STEPS
1.
Close power plant access door (see your -10).
2.
Raise trim vane (see your -10).
END OF TASK
0360 00-2