TM 9-2350-277-20-3
REPLACE MASTER SWITCH TO AUXILIARY POWER RECEPTACLE LEAD
(CIRCUIT 50) (M113A3, M901A3, M1059A3, M1064A3, AND M58)
0268 00
THIS WORK PACKAGE COVERS:
Removal (page 0268 00-1).
Inspection and Repair (page 0268 00-2).
Installation (page 0268 00-3).
INITIAL SETUP:
Maintenance Level
Unit
Tools and Special Tools
General Mechanics Tool Kit (WP 0926 00, Item 65)
Multimeter (WP 0926 00, Item 30)
Materials/Parts
Locknut (9)
Lockwasher (2)
Personnel Required
Unit Mechanic
References
See your -10
Equipment Condition
Engine stopped (see your -10)
Carrier blocked (see your -10)
Battery ground strap disconnected (WP 0337 00)
Warning light panel assembly removed (WP 0291 00)
REMOVAL
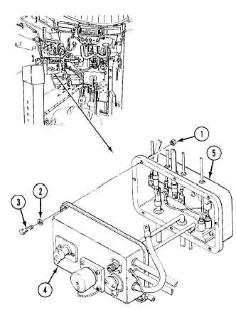
1.
Remove eight locknuts (1), washers (2), screws (3) and master switch panel (4) from distribution box (5). Discard
locknuts.
0268 00-1