TA57138
4-26.6
Change 2
TM 9-2350-267-20
AIR CLEANER: REMOVAL DISASSEMBLY, ASSEMBLY AND INSTALLATION (CONTINUED)
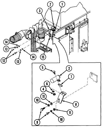
M Install support bracket (15) with two screws (12), two new
lockwashers (13) and two flat washers (14) on right side and one
screw (12), one new lockwasher (13) and one flat washer (14) on
left side.
N Install bracket (8) with two screws (9), two new lockwashers (10)
and two flat washers (11).
O Install pressure indicator (2) and new gasket (7) on bracket (8)
with two screws (5), two new lockwashers (6) and two nuts (4).
P Connect pressure indicator hose (3) at pressure indicator (2) and
tighten fitting (1).