TM 9-2350-247-34
REPLACE MAIN WIRING HARNESS Continued
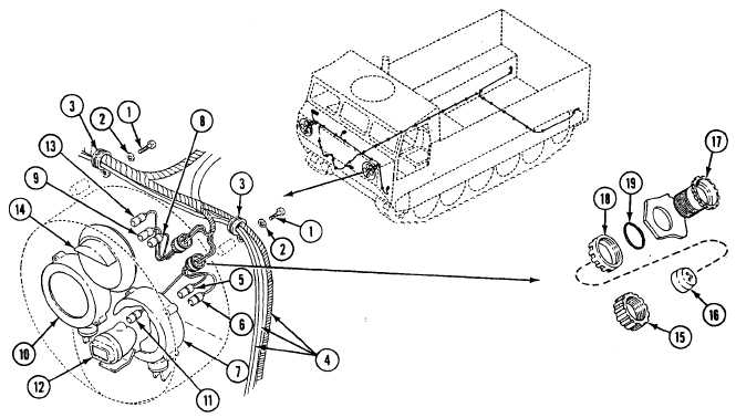
0025 00
4.
Remove two screws (1), lock washers (2), clamps (3), and cables (4) from hull. Discard lock washers.
5.
Disconnect circuit 17 lead (5) and circuit 18 lead (6) from left service headlight (7).
6.
Disconnect circuit 514 lead (8) and circuit 515 lead (9) from left infrared headlight (10).
7.
Disconnect circuit 19 lead (11) from left blackout headlight (12).
8.
Disconnect circuit 20 lead (13) from left blackout marker light (14).
9.
Remove two stuffing tube caps (15) securing two rubber bushings (16) in two stuffing tubes (17) from wiring harness.
10. Remove two stuffing tube lock nuts (18), packings (19), and stuffing tubes (17) from hull. Remove lock nuts and
packings from wiring harness. Discard packings.
0025 00-4