Home
Download PDF
Order CD-ROM
Order in Print
DESCRIPTION AND USABLE ON CODE (UOC) - TM-9-2350-277-24P_935
DESCRIPTION AND USABLE ON CODE (UOC) - TM-9-2350-277-24P_937
TM-9-2350-277-24P Carrier Personnel Full Tracked Armored M113A3 2350-01-219-7577 (EIC AE7) Carrier Command Post Light Tracked M577A3 2350-01-369-6085 (EIC AE7) Manual
Page Navigation
913
914
915
916
917
918
919
920
921
922
923
SECTION II
TM 9-2350-277-24P
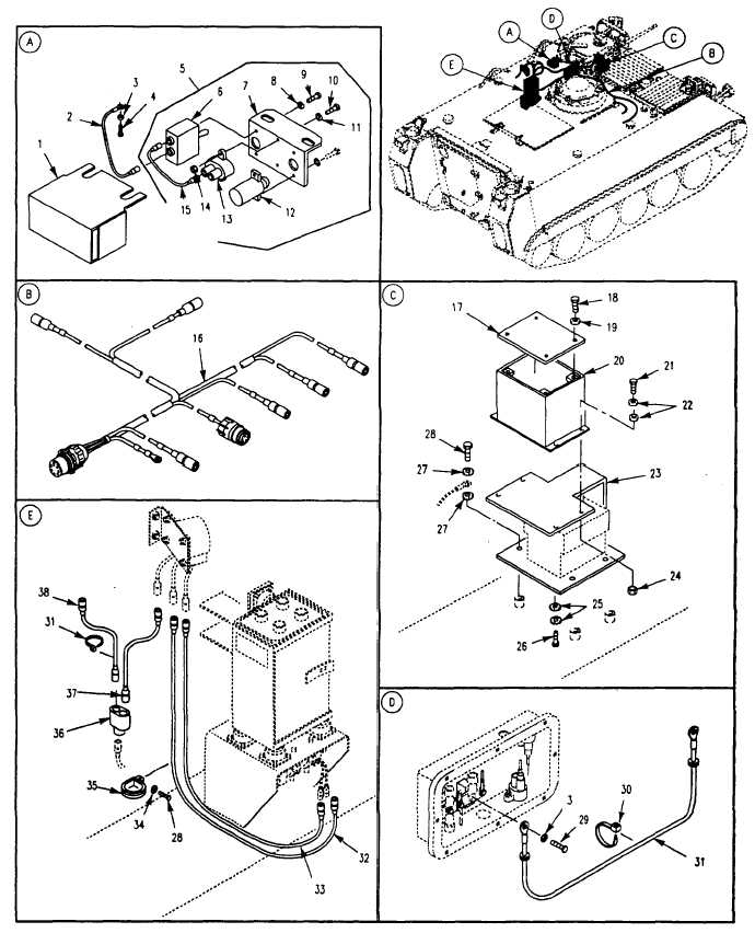
Figure 401K. NBC Kit
(M113A3 AMB)