Home
Download PDF
Order CD-ROM
Order in Print
DESCRIPTION AND USABLE ON CODE (UOC) - TM-9-2350-277-24P_370
DESCRIPTION AND USABLE ON CODE (UOC) - TM-9-2350-277-24P_372
TM-9-2350-277-24P Carrier Personnel Full Tracked Armored M113A3 2350-01-219-7577 (EIC AE7) Carrier Command Post Light Tracked M577A3 2350-01-369-6085 (EIC AE7) Manual
Page Navigation
350
351
352
353
354
355
356
357
358
359
360
SECTION II
TM 9-2350-277-24P
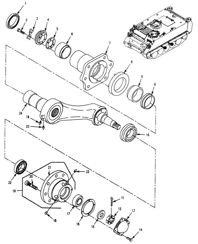
Figure 171. Support Assembly, Inner