Home
Download PDF
Order CD-ROM
Order in Print
DESCRIPTION AND USABLE ON CODE (UOC) - TM-9-2350-277-24P_171
DESCRIPTION AND USABLE ON CODE (UOC) - TM-9-2350-277-24P_173
TM-9-2350-277-24P Carrier Personnel Full Tracked Armored M113A3 2350-01-219-7577 (EIC AE7) Carrier Command Post Light Tracked M577A3 2350-01-369-6085 (EIC AE7) Manual
Page Navigation
152
153
154
155
156
157
158
159
160
161
162
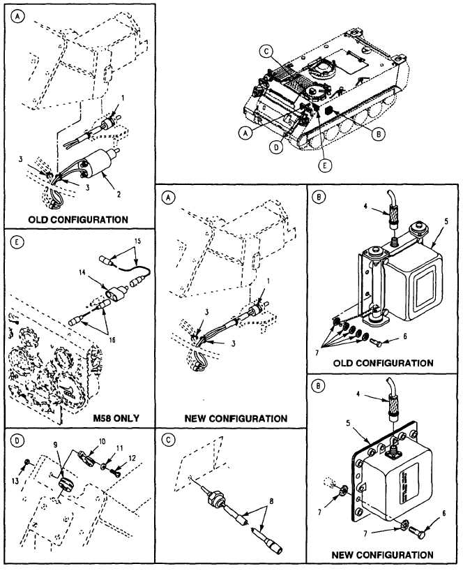
SECTION II
TM 9-2350-277-24P
Figure 73. Steering
Solenoid
, Power Supply, and Electrical Components