Home
Download PDF
Order CD-ROM
Order in Print
DESCRIPTION AND USABLE ON CODE (UOC) - TM-9-2350-277-24P_152
DESCRIPTION AND USABLE ON CODE (UOC) - TM-9-2350-277-24P_154
TM-9-2350-277-24P Carrier Personnel Full Tracked Armored M113A3 2350-01-219-7577 (EIC AE7) Carrier Command Post Light Tracked M577A3 2350-01-369-6085 (EIC AE7) Manual
Page Navigation
133
134
135
136
137
138
139
140
141
142
143
SECTION II
TM 9-2350-277-24P
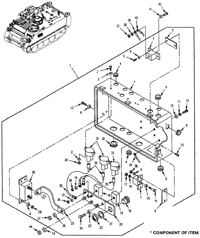
Figure 65. Distribution Box
(M981A3)