TM 9-2350-277-20-3
REPLACE BATTERY-TO-RADIO WIRING HARNESS (RIGHT SIDE) (M113A3 ONLY)
Continued
0370 00
REMOVAL
NOTE
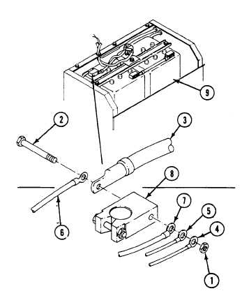
There are two circuit 48 leads connected to positive terminal of third battery. Replace circuit 48
lead which runs along hull past battery boxes and capacitor, to opposite side of carrier.
1.
Remove nut (1) and screw (2) securing positive jumper lead (3), circuit 772 lead (4), circuit 778 lead (5), and two circuit
48 leads (6)(7) to positive terminal (8) of third battery (9).
0370 00-2