TM 9-2350-277-20-3
REPLACE REAR MAIN WIRING HARNESS (M577A3 ONLY) Continued
0363 00
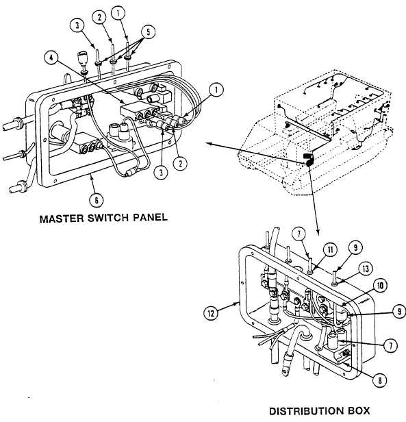
62. Disconnect circuit 28 lead (1), circuit 29 lead (2), and circuit 30 lead (3) from fuel selector switch (4).
63. Remove circuit 28 lead (1), circuit 29 lead (2), circuit 30 lead (3) and three grommets (5) from master switch panel (6).
Discard grommets.
64. Disconnect circuit 450 lead (7) from circuit breaker (8).
65. Disconnect circuit 450B lead (9) from circuit breaker (10).
66. Remove circuit 450 lead (7) and grommet (11) from distribution box (12). Discard grommet.
67. Remove circuit 450B lead (9) and grommet (13) from distribution box (12). Discard grommet.
0363 00-12