TM 9-2350-247-34
INSTALL AIR BRAKE KIT (M548A1) Continued
0073 00
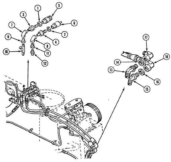
46. Install bushing (9) and tee (10) on emergency outlet elbow (7).
47. Install bushing (11) and nipple (12) on service outlet elbow (8).
48. Install service bulkhead elbow (13) in rear drivers area bulkhead with lock nut (14).
49. Install supply bulkhead elbow (15) in rear battery compartment bulkhead with lock nut (16).
50. Install service hose elbow (17) on service bulkhead elbow (13).
51. Install supply hose elbow (18) on supply bulkhead elbow (15).
0073 00-16