TM 9-2350-247-34
REPLACE ENGINE (M548A1) Continued
0007 00
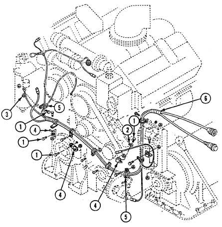
14. Remove four screws (1), key washers (2), lock nut (3), three brackets (4), four clamps (5), and power plant wiring
harness (6) from power plant. Discard lock nut and key washer.
0007 00-9